wifi 銅管天線內置2.4G焊RF1.13灰色同軸線+TD
料號:4.28
尺寸:L=5m
標簽:天線,黑色,外置天線,LTE天線,gps天線,SMA公頭,rg174
產品特征:
產品規格
| 阻抗 | 50Ω |
| 頻率范圍 | 824-960MHZ&1710-1880MHZ&1990-2170MHZ&2350-2655MHX |
| 輻射 | OMNI-DIRECTIONAL |
| 極化 | VERTICAL |
| 工作溫度 | -30°C?to?+90°C |
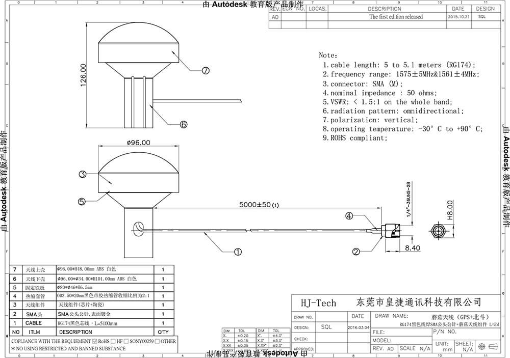
產品圖紙

包裝與運輸
| 發貨地 | 廣東省東莞 |
| 付款方式 | 銀行匯款 |
| 常規交貨期 | 7-10天 |
| 運輸方式 | 快遞/物流 |
| 包裝方式 | 吸塑盒+紙箱/?PE袋+紙箱 |
| 箱規 | 39.5*24.5*19.5cm 49.5*24.5*19.5cm 47*41*21cm 34*34*30cm |


