FAKRA彎頭天線臥式白色公針插板穿孔式長體

料號:1.23
標簽:RF連接器,接PCB板,FAKRA公頭,90度,穿孔,插板

產品特征:

  • FAKRA射頻同軸圓形連接器,專為汽車行業應用設計。二次鎖緊功能、顏色區分和放錯結構防止錯配。

  • 安全和全自動裝配連接器高精密制造系統,保證產品的實惠價格和生產效率。達到國際化ROHS標準。

  • 廣泛應用于汽車導航系統,遠程控制系統,車載電視、音響設備,天線設配等。

  • 多種型號、規格可選,產品可以接受客戶定制化需求。

  • 13年生產經驗廠家直銷,批發價格優惠。1年質量保證,免費拿樣測試。

產品規格
產品規格
頻率范圍 DC-6GHz
絕緣阻抗 ≧?500MΩ
額定電壓 60V?AC(rms)
額定電流 0.5A?AC
耐電壓 200V?AC
工作溫度 -40°C?to?+90°C
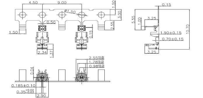
產品圖紙

1.8

包裝與運輸
發貨地 廣東省東莞
付款方式 銀行匯款
常規交貨期 7-10天
運輸方式 快遞/物流
包裝方式 吸塑盒+紙箱/?PE袋+紙箱
箱規 39.5*24.5*19.5cm
49.5*24.5*19.5cm
47*41*21cm
34*34*30cm